| 항목 | 세부 사항 |
|---|---|
| 모델명 | Cat-Fs 시리즈 테이블 타입 |
| 출력 (W) |
20W
30W
50W
60W
70W
100W
200W
300W
|
| 레이저 소스 | 파이버 레이저 |
| 파장대역 (nm) | 1,064 |
| 레이저 수명 (시간) | < 100,000 |
| 최소 빔 사이즈 (mm) | < 0.02 (광학기기에 따라 차이 있음) |
| 냉각방식 | 공냉식 / 수냉식 |
| 레이저 빔품질 (M²) |
< 1.3
< 1.4
< 1.6
< 1.5
< 1.6
< 1.4
< 1.6
< 1.6
|
| 펄스 주기 (ns) |
100
2-500
100
2-350
100
2-500
100
2-500
2-500
2-500
|
| 주파수 대역 (kHz) |
20-80
1-4,000
20-80
1-4,000
50-80
1-4,000
50-170
1-4,000
1-4,000
1-4,000
|
| 마킹속도 (mm/s) | < 12,000 |
| 위치 / 반복정밀도 (mm) | 0.001 / 0.003 |
| 작업영역 (mm) | 110 x 110 / 150 x 150 / 180 x 180 / 200 x 200 / 250 x 250 / 300 x 300 |
| Z 축 (mm) | 500 – 1,000 |
| 소모전력 (kW) | < 1kW |
| 사용전원 | 220V 단상 / 50-60Hz / 15A |
| 작업환경 | 온도 : 10 ~ 40℃ / 습도 : 10 ~ 95% (결로 없을시) |
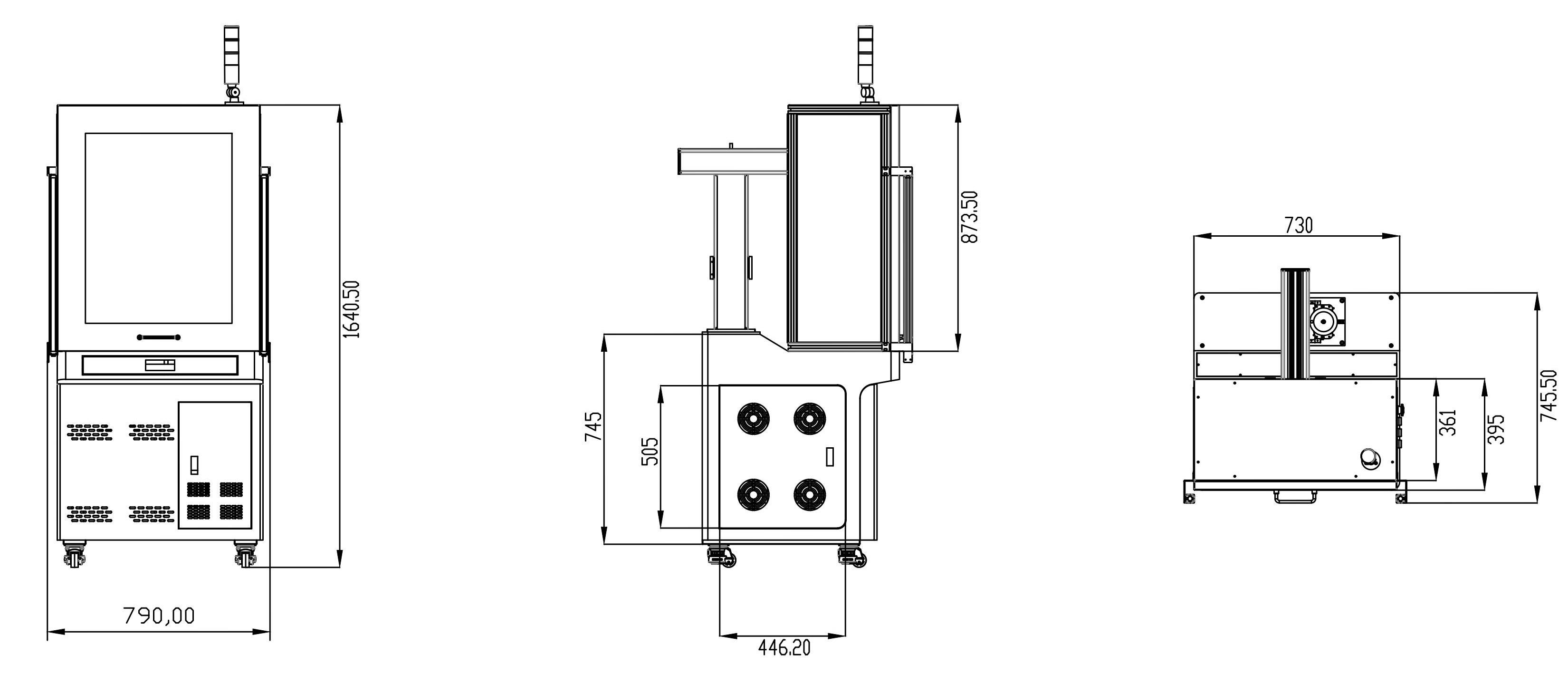
| 장비크기 | 730mm x 700mm x (커버 열린 상태 높이 : 2,217mm), (커버 닫힌 상태 높이 : 1639mm), (바닥부터 타워램프까지의 높이 : 1939mm) / 약 100kg |
|
비밀번호를 입력해 주세요.
견고한 구조로 설계되어 어떤 상황에서도 ±1% 이내의 안정성을 자랑하는 레이저의 구성으로 까다로운 어떤 작업 현장에서도 완벽히 작업을 수행 할 수 있다는 장점이 있습니다. 온도와 진동에 특히 강한 설계로 내구성이 매우 좋습니다.
반영구적 수명!
모든 상황에서 압도적인 내구성!
주기적으로 잉크나 가스의 충전 없이 전기만 연결 하여 사용 할수 있습니다. 친환경적인 레이저의 사용은 폐기물이 발생되지 않기 때문에 제품의 포장의 최소화와 환경 평가로 인한 공장 위치의 제약이 없어 더욱 편리하게 사용할 수 있습니다.
친환경적!
별도의 잉크나 폐기물 걱정NO!
700W/h 이하의 소모전력으로 작동하여 누진세로 인한 전기요금 걱정이 없으며, 저전력 소비 덕분에 가정에서도 경제적으로 유지비용을 절감할 수 있는 장점이 있습니다. 또한, 에너지 효율이 높아 장기간 사용 시 부담이 적어 지속 가능한 작업 환경을 제공합니다.
연속된 작업으로 인한 전기세 부담 갖지 마세요!
프로그램을 자체 개발할 수 있는 전문 기술력을 보유하여 고객의 다양한 요구에 최적화된 솔루션을 제공합니다. 작업 환경과 필요 기능에 맞춘 맞춤 설계를 통해 효율성을 극대화하며 생산성을 높이는 데 기여합니다.
창의성을 이용한, 창의성을 위한 디자인!
아무리 단순한 마킹 작업이라도 처음 사용하는 장비를 매뉴얼만 보고 바로 익히기는 쉽지 않습니다. 전문 엔지니어로부터 교육을 이수한 후 실무에서 사용할 모든 작업 데이터를 저장해 드립니다. 바쁜 업무 시간을 쪼개지 않아도 바로 양산 작업에 적용할 수 있어 효율적입니다.
처음 사용하시는 분들은 자가교육 힘들 수 있어요!
자사 제품이 설치된 세계 어디라도 서비스를 제공합니다. 장비를 구매 결정 하면서 사후 서비스 때문에 걱정하지 마세요. 막스레이저는 국내뿐만 아니라 국외에도 서비스를 지원하고 있습니다.
세계 어디든지 서비스 제공
자동제어 XY 테이블
프로그램에서 X,Y축의 제어가 가능 합니다. 제품을 여러개 놓거나, 작업범위를 넘는 작업을 할 때 사용하는 옵션으로 간단한 설정으로 누구나 쉽게 사용할 수 있습니다.
자동제어 Z축
프로그램에서 Z축의 제어가 가능합니다. 각 저장 파일에 제품 높이를 미리 입력하여 언제든지 허용오차 0.05mm 이내의 정확한 높이에서 작업 할 수 있습니다. 이 기능을 응용하여 제품의 높이가 각기 다른 형태에도 각인할 수 있습니다.
전동 Z축
수동타입의 Z축 조절이 힘들고 번거롭다면 경제적인 금액대로 이 옵션을 사용할 수 있습니다. Z축에 모터를 설치하여 사용자는 스위치로 편하게 위, 아래로 제어 할 수 있습니다.
산업용 로터리
산업용 로터리로 고정 할 수 있는 제품의 크기는 0-80mm부터 0-120mm까지 다양하게 지원합니다. 엔코더의 적용으로 작은 오차도 허용하지 않으며 설정된 값으로 정밀하게 작업합니다.
주얼리용 로터리
주얼리 전용으로 설계된 로터리 입니다. 주로 반지 외경이나 내경에 각인할 때 사용하며, 작은 반지를 견고하게 고정하기 위해 특별히 설계된 인덱스는 쉽게 사용할 수 있습니다.
XYZ 스테이지
초점거리가 짧아 Z축의 스트로크를 보완 하거나 XY를 수동으로 조절을 원하는 사용자를 위한 옵션입니다. 견고한 구성과 사용자가 원하는 방향으로 정밀하게 이동 할 수 있습니다.
F-Theta 렌즈의 사용으로 355nm부터 10,600nm의 파장까지 사용하기 위한 레이저를 위해 개발됐습니다.
레이저빔이 역으로 반사되어(back reflection) 레이저 소스를 손상시키는 것을 방지하기 위해 설계됐습니다.
컴팩트하고 견고한 구조가 특징이고 가성비가 뛰어나 모든 레이저 작업에 적합합니다.
또한 향상된 속도 및 정밀도가 특징입니다.
레이저 소스만 전문으로 제조하는 업체만을 거래하며, 다양한 제조사의 적용으로 사용자가 원하는 품질을 완벽하게 실현합니다. 또한 출고 전 레이저 파워 측정과 까다로운 검수로 품질 관리를 하고 있습니다.
높은 정밀도의 가공으로 만들어진 볼스크류 적용으로 상하가 부드럽게 이동되며, 밀림없이 잘 고정됩니다.
레이저 헤드가 거치 되어있지만 무게 감 또한 가볍습니다.
컨트롤러는 레이저의 작업 속도와 정밀도 그리고 안정성에 중대한 영향을 미칩니다.
다양한 기능의 I/O, RS232C, 이더넷의 활용으로 사용자는 손쉽게 장비를 제어 할 수 있습니다.
모니터 암은 단순한 부품처럼 보이지만 효과는 뛰어납니다.
사용자의 눈높이에 가장 이상적인 위치에 설치되며, 넉넉한 작업공간까지 확보 됩니다.
공냉식은 고출력의 쿨링팬 적용으로 더욱 효율적인 냉각 방식을 택하였으며, 장비에도 정면을 제외한 모든 부분에 적용하여 냉각 효율을 극대화 했습니다.
수냉식의 경우 뛰어난 성능의 칠러에서 설정된 온도로 적용되어, 주변 환경의 불안정한 온도에도 안정적으로 작동합니다.
눈에 보이지 않는 곳 까지 섬세하게 구성 하였습니다. 무거운 중량으로 가장 약한 부분을 견고한 바퀴로 구성하여 설치장소의 이동도 쉽게 할 수 있고, 장비고정을 위한 조절좌도 구성되어 있습니다.
-
자동차 부품|
-
전기/전자|
-
기계부품|
-
의료|
-
금속조각|
-
주얼리|
-
기타
























































































